

(1)アフタクーラ
(2)ラジエータ&オイルクーラ
(3)ボンネット
(4)バッテリ
(5)エアクリーナ
(6)コントロールバルブ
(7)オペレータシート
(8)コントロールレバー
(9)スイングベアリング
(10)スイベルジョイント
(11)アイドラ
(12)トラックアジャスタ
(13)トラックローラ
(14)ポンプ
(15)スイングドライブ
(モータ付)
(16)作動油フィルタ
(リターンフィルタ)
(17)エンジン




(18)カウンタウエイト
(19)キャビン
(20)ハイドロリックタンク
(21)フュエルタンク
(22)ストレージボックス
(23)ブームシリンダ
(24)ブーム
(25)アームシリンダ
(27)バケットシリンダ
(28)I リンク
(29)H リンク
(30)バケット
(31)トラック
(32)キャリヤローラ
(33)ファイナルドライブ
(モータ付)


大割機

(1)ボックス
(2)アーム
(3)先端爪
(4)中爪中間ツメ
(5)メインピンブッシュ
(6)スペーサ
(7)スペーサスリーブ
(8)スリーブキー
(9)メインピン
(10)メインピンナット
(11)キャップボルト
(12)グリスニップル
(13)アームシリンダスピン
(14)エンドプレート
(15)キャップボルト
(16)ボックスシリンダピン
(17)ボックスクレビスブッシュ
(18)カッタ
(19)カッタシム(0.3t)
(19)カッタシム(0.5t)
(20)キャップボルト
(21)カバー
(22)スプリングワッシャ
(23)六角ボルト
(24)スリーブシム(0.3t)
(24)スリーブシム(0.5t)


小割機 / 動歯

(46)ツースベース
(11)カッタベ-ス
(31)アーム先端ツース
(47)鉄筋つかみベース
(12)カッタシム(t0.8)
(32)ウェッジA
(48)ウェッジAベースプレート
(12)カッタシム(t1.2)
(33)ウェッジ C
(34)耐磨耗プレート
(13)カッタ(50x150)
(35)耐磨耗プレート
(14)キャップボルト
(36)耐磨耗プレート
(15)スプリングワッシャCS
(37)耐磨耗プレート
(38)アームブッシュ
(39)スラストプレート


小割機 / 固定歯

(2)吊金具
(44)型式プレート(OSC-200B)
(11)カッタベ-ス
(18)メインピンナット
(3)ウェッジベース
(19)メインピンナット
回リ止メ金具
(19)カッタシム(t0.8)
(45)ブラインドリベット
(12)カッタシム(t1.2)
(20)キャップボルト
(4)ウェッジD
(13)カッタ(50x150)
(5)ウェッジ D
(6)耐磨耗プレート
(14)キャップボルト
(7)耐磨耗プレート
(15)スプリングワッシャCS
(8)耐磨耗プレート
(16)メインピン
(9)耐磨耗バー
(47)グリスニップル
(10)耐磨耗プレート


鉄骨切断機

(1)ボックス
(2)アーム
(3)アームブッシュ
(4)スペーサ
(5)スペーサスリーブ
(6)スリーブキー
(7)スラストプレートA
(8)スラストプレートB
(9)メインピン
(10)グリスニップル
(11)スリーブシム(0.3t)
(11)スリーブシム(0.5t)
(12)メインピンナット
(13)キャップボルト
(14)ボックスシリンダピンエンドプレート
(15)キャップボルト
(16)ボックスシリンダピン
(17)カッタシム(t0.3)
(17)カッタシム(t0.5)
(18)カッタ
(19)キャップボルト(全ネジ)
(20)カッタプレート
(21)サラボルト
(22)六角ボルト
(23)ワッシャ(ハイテン)
(24)カバー
(25)アームメタル
(26)アームメタルシム(t0.3)
(26)アームメタルシム(t0.5)
(27)ワッシャ(ハイテン)
(28)六角ボルト
(29)アームシリンダスピン
(30)エンドプレート
(31)キャップボルト
(32)グリスニップル
(33)セットスクリュ(クボミ先)


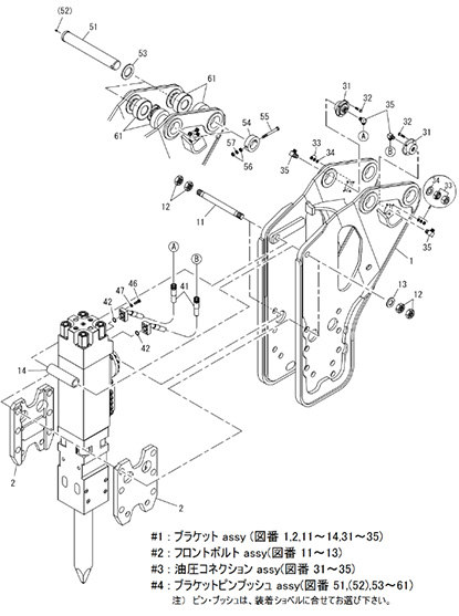
油圧ブレーカ

(1)ブラケットボディ
(2)フロントプレート
(11)フロントボルト(Rd56x600W)
(12)フロントボルトナット(Rd56NT3)
(13)ワッシャ(M56WS)
(14)パイプ
(31)32MM防振油圧コネクション
(32)六角ボルト
(33)ハードロックナット
(34)ワッシャ(ハイテン)
(35)アダプタ
(41)フランジホース(角フランジ付)
(42)Oリング
(46)キャップボルト
(47)スプリングワッシャCS
(51)ブラケットピン(φ100x677L)
(51)ブラケットピン(φ100x677L、GN孔ナシ)
(51)ブラケットピン(φ110x677L)
(51)ブラケットピン(φ110x677L、GN穴ナシ)
(52)グリスニップル
(53)ブラケットピンワッシャ(φ100x148x10t)
(53)ブラケットピンワッシャ(φ110x148x10t)
(54)ブラケットピンカラー(φ100x148x48t)
(54)ブラケットピンカラー(φ110x148x48t)
(55)六角ボルト
(56)3種ナット
(57)スプリングワッシャ
(61)ブラケットピンブッシュ(φ100x180x65t)
(61)ブラケットピンブッシュ(φ110x180x15t)
(61)ブラケットピンブッシュ(φ110x180x29t)
(61)ブラケットピンブッシュ(φ100x180x29t)
(61)ブラケットピンブッシュ(φ100x180x25t)
(61)ブラケットピンブッシュ(φ100x180x10t)
(#1)ブラケットアッセン
(#2)フロントボルトアッセン(Rd56x600W)
(#3)32MM防振油圧コネクションアッセン
(#4)ブラケットピンブッシュアッセン(φ100x巾370)
(#4)ブラケットピンブッシュアッセン(φ110x巾470)
(#4)ブラケットピンブッシュアッセン(φ110x巾441)
(#4)ブラケットピンブッシュアッセン(φ100x巾441)
(#4)ブラケットピンブッシュアッセン(φ100x巾450)
(#4)ブラケットピンブッシュアッセン(φ100x巾479)

